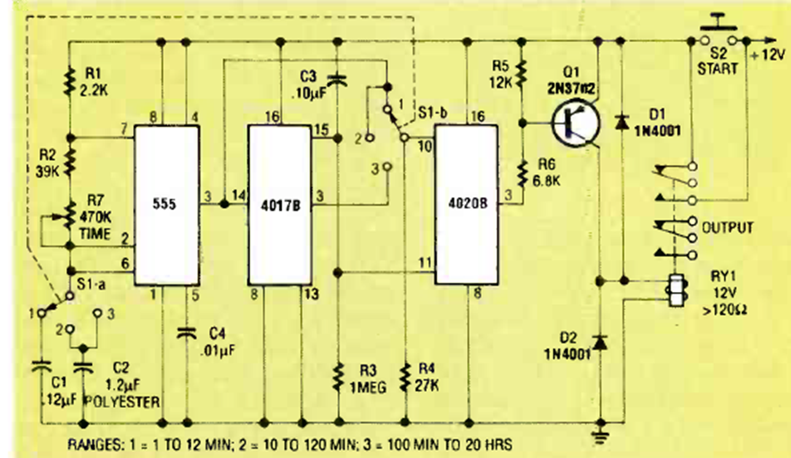
Este circuito se encontró en un artículo sobre el 555 en la revista Radio Electronics de noviembre de 1992. El circuito utiliza un relé de 12 V y tiene dos rangos de temporización.
El control que describimos puede ser usado con motores de 3 a 12 V y corrientes máximas de 1 A. El...
El circuito mostrado en la figura 1 modula un haz de luz emitido por un LED (visible o infrarrojo) a...
El oscilador mostrado en la figura 1 utiliza un cristal para la banda de radioaficionados PX (11...