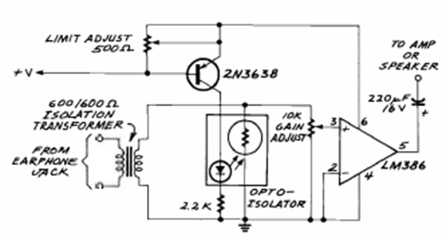
Encontramos este circuito en la edición de enero de 1992 de la revista Radio Electronics. El circuito consta de un control automático de ganancia.
El control que describimos puede ser usado con motores de 3 a 12 V y corrientes máximas de 1 A. El...
El circuito mostrado en la figura 1 modula un haz de luz emitido por un LED (visible o infrarrojo) a...
El oscilador mostrado en la figura 1 utiliza un cristal para la banda de radioaficionados PX (11...