Este antiguo circuito de 4 canales fue encontrado en la revista Electronics Now de diciembre de 1994. El circuito utiliza un 556 como modulador. Anote la clave de programación del código.
El control que describimos puede ser usado con motores de 3 a 12 V y corrientes máximas de 1 A. El...
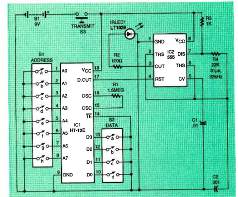
El circuito mostrado en la figura 1 modula un haz de luz emitido por un LED (visible o infrarrojo) a...
El oscilador mostrado en la figura 1 utiliza un cristal para la banda de radioaficionados PX (11...