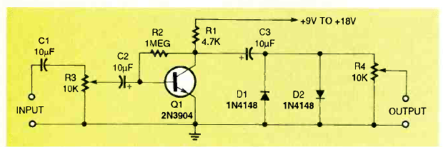
Este circuito es adecuado para su uso en receptores de radio, mejorando la calidad de las estaciones con señales débiles. El circuito fue sugerido por la revista Electronics Now en mayo de 1994.
El control que describimos puede ser usado con motores de 3 a 12 V y corrientes máximas de 1 A. El...
El circuito mostrado en la figura 1 modula un haz de luz emitido por un LED (visible o infrarrojo) a...
El oscilador mostrado en la figura 1 utiliza un cristal para la banda de radioaficionados PX (11...