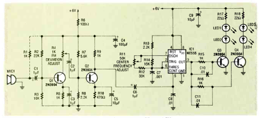
Este circuito fue encontrado en la revista Radio Electronics de diciembre de 1992. El alcance depende de las capacidades ópticas y también de las condiciones climáticas.
El agua pura es aislante, pero el agua con sal, ácido o base es conductora y electricidad....
Este circuito puede generar señales de 100 kHz a 1 MHz dependiendo de la bobina L1. Para el rango...
Con este circuito podemos probar capacitores no electrolíticos (poliéster, cerámicos, styroflex, etc.)...