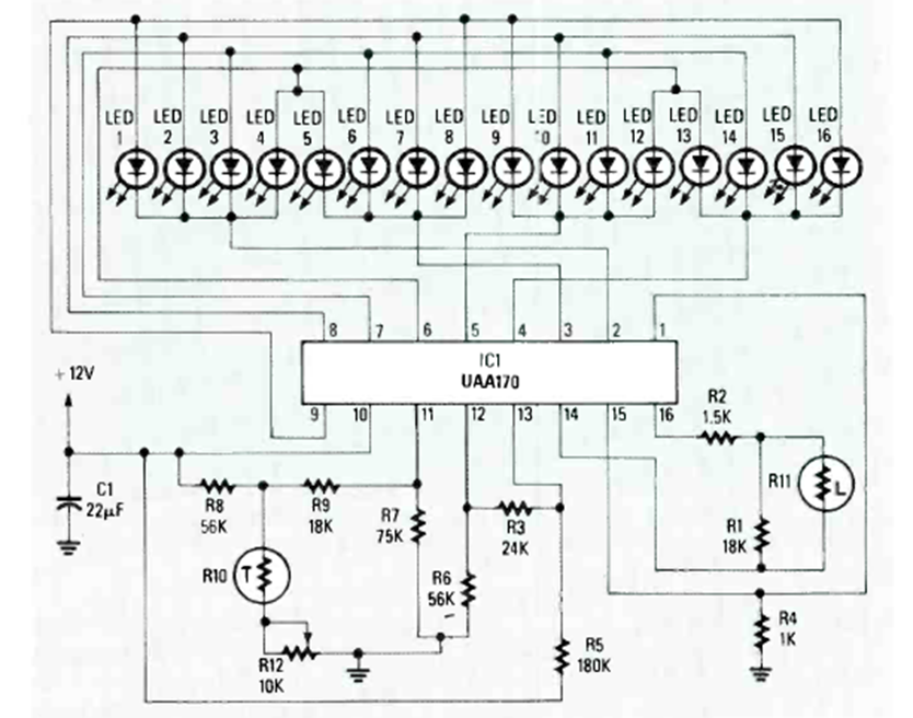
En este sitio existen otras versiones de diversas publicaciones. Esto es del Radio Electronics Experimenter de 1990. El circuito de barras utiliza el UAA170.
El simple diseño presentado utiliza sólo un transistor y su montaje no ofrece dificultad alguna,...
Objetivo: Controlar la potencia aplicada a una carga a partir de la red de energía de 110 V o 220...
El segundo circuito que presentamos utiliza dos transistores amplificadores y un tercero como...