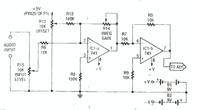
Este circuito, que se encuentra en la revista Radio Electronics de febrero de 1992, está destinado a adaptar una señal de audio para ser utilizada en el ADC de una computadora. Se puede adaptar para funcionar con microcontroladores.
El simple diseño presentado utiliza sólo un transistor y su montaje no ofrece dificultad alguna,...
Objetivo: Controlar la potencia aplicada a una carga a partir de la red de energía de 110 V o 220...
El segundo circuito que presentamos utiliza dos transistores amplificadores y un tercero como...