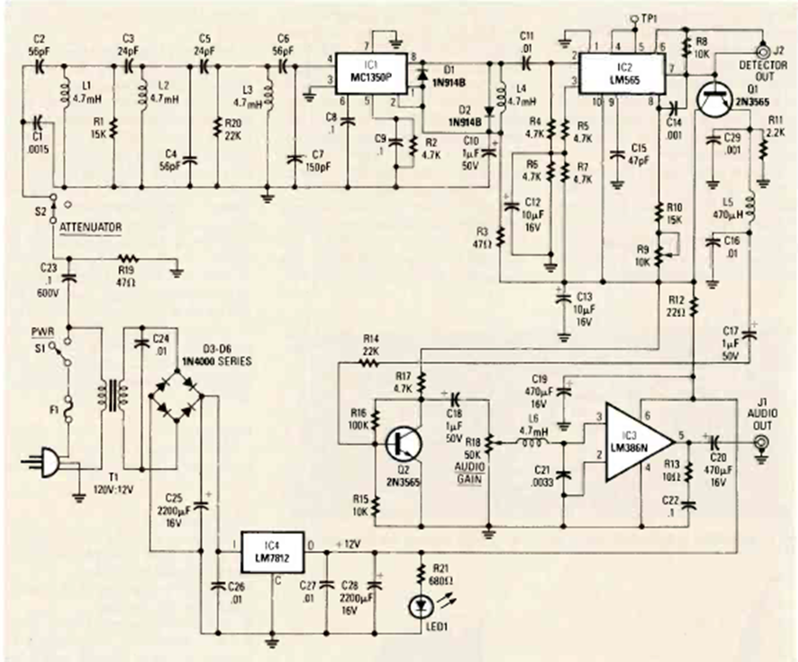
A diferencia del anterior, este circuito está pensado para recibir señales moduladas en frecuencia transmitidas por la red eléctrica. El circuito es de una Radio Electronics de febrero de 1989.
El agua pura es aislante, pero el agua con sal, ácido o base es conductora y electricidad....
Este circuito puede generar señales de 100 kHz a 1 MHz dependiendo de la bobina L1. Para el rango...
Con este circuito podemos probar capacitores no electrolíticos (poliéster, cerámicos, styroflex, etc.)...