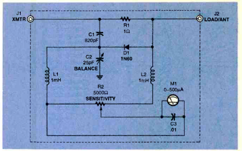
Encontramos este circuito en la revista Electronics Now de marzo de 1999. El indicador utilizado es del tipo analógico. Los valores mostrados dependen de la calibración.
El control que describimos puede ser usado con motores de 3 a 12 V y corrientes máximas de 1 A. El...
El circuito mostrado en la figura 1 modula un haz de luz emitido por un LED (visible o infrarrojo) a...
El oscilador mostrado en la figura 1 utiliza un cristal para la banda de radioaficionados PX (11...