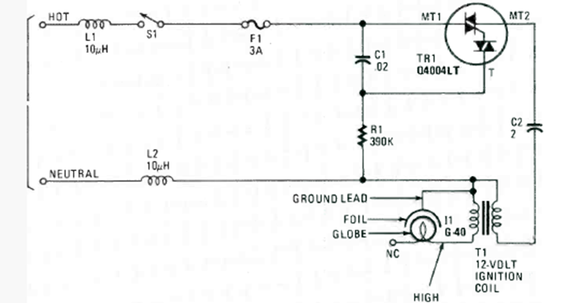
Encontramos este circuito en un Experimentador de Radio Electrónica de 1990. El circuito utiliza una bombilla incandescente común y una bobina de encendido de automóvil.
La finalidad de esta experiencia muy simple es mostrar que una corriente eléctrica transporta energía...
El fotómetro presentado puede ser utilizado en el laboratorio de ciencias, en experimentos de...
La finalidad de este circuito es convertir la velocidad de apertura y cierre de un sensor on/off...