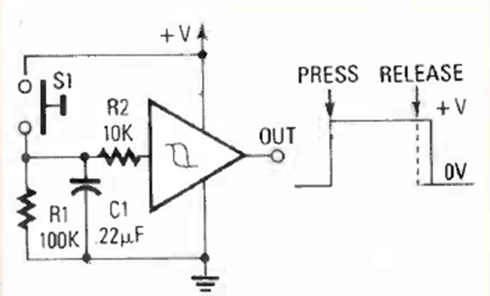
El circuito utilizado es el 4093 configurado como inversor en esta aplicación de Radio Electronics de abril de 1988. El condensador se puede cambiar.

El circuito utilizado es el 4093 configurado como inversor en esta aplicación de Radio Electronics de abril de 1988. El condensador se puede cambiar.
