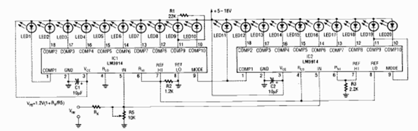
Este circuito tiene una escala de 0 a 2,56 V, pero se puede variar cambiando los valores de los componentes según la fórmula dada en el diagrama. Lo encontramos en la revista Radio Electronics de marzo de 1992.
La finalidad de esta experiencia muy simple es mostrar que una corriente eléctrica transporta energía...
El fotómetro presentado puede ser utilizado en el laboratorio de ciencias, en experimentos de...
La finalidad de este circuito es convertir la velocidad de apertura y cierre de un sensor on/off...