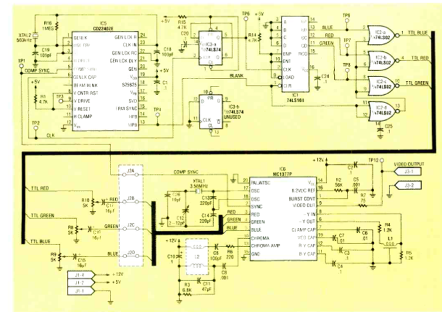
Este circuito para TV analógica genera barras en el estándar NTSC. Lo encontramos en la revista Radio Electronics de julio de 1991.
El circuito que presentamos es ideal para casar la baja impedancia de transductores, tales como...
Este probador de continuidad artesanal tiene una finalidad didáctica, pudiendo ser utilizado como tema...
En el circuito de la figura utilizamos dos de las puertas del 4093 como un biestable y las otras...