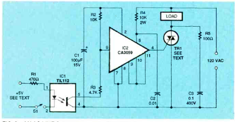
Este circuito utiliza un optoacoplador para conmutar una carga en la red eléctrica. El circuito es de la revista Electronics Now, julio de 1995. El CA3059 no es común hoy en día.
El circuito que presentamos es ideal para casar la baja impedancia de transductores, tales como...
Este probador de continuidad artesanal tiene una finalidad didáctica, pudiendo ser utilizado como tema...
En el circuito de la figura utilizamos dos de las puertas del 4093 como un biestable y las otras...