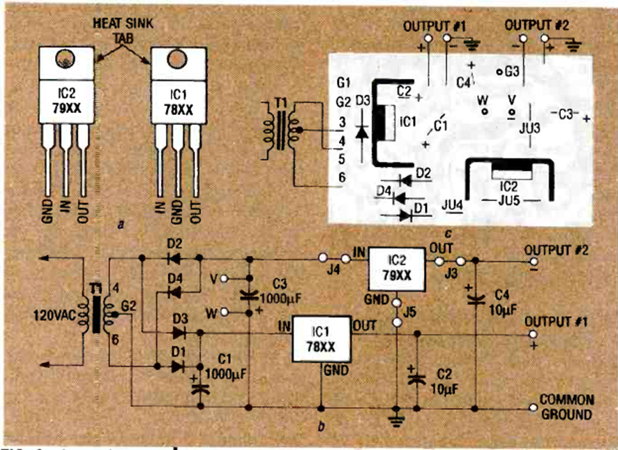
El circuito que se muestra, con la placa de circuito impreso, se encontró en un artículo de la edición de junio de 1990 de la revista Radio Electronics. Los circuitos integrados deben estar equipados con disipadores de calor.
El circuito que presentamos es ideal para casar la baja impedancia de transductores, tales como...
Este probador de continuidad artesanal tiene una finalidad didáctica, pudiendo ser utilizado como tema...
En el circuito de la figura utilizamos dos de las puertas del 4093 como un biestable y las otras...