Ideal para usar en el banco, este circuito de dos bandas se obtuvo de la edición de 1995 de la revista Electronics Now. El circuito puede alimentarse con tensiones de 5 a 12 V.
Si el lector tiene en su chatarra un motor de 6 V (4 pilas) y un transformador de 6 V, entonces puede...
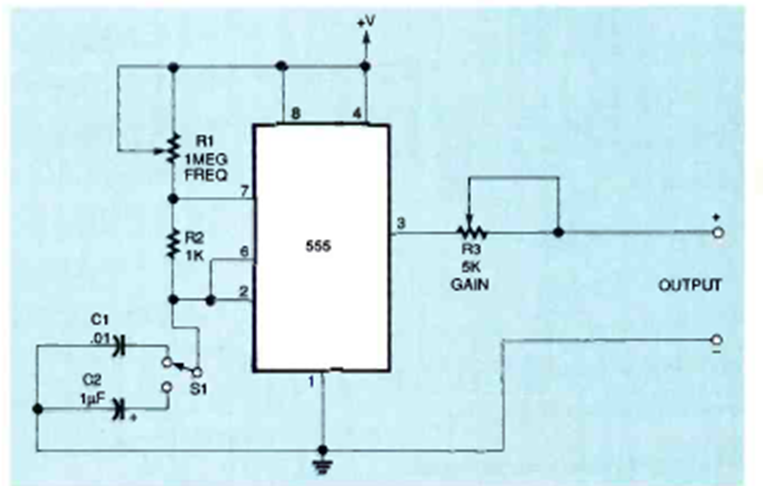
El circuito mostrado en la figura 1 genera una señal rectangular de baja frecuencia, pero cuyas...
Este proyecto es de nuestro colaborador Sérgio Lima Correia habiendo sido hecho en la época en que él...