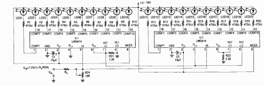
Este circuito es una alternativa al circuito anterior. Lo encontramos en el mismo artículo de la revista Radio Electronics de marzo de 1992. Los circuitos integrados son los LM3914.
La finalidad de esta experiencia muy simple es mostrar que una corriente eléctrica transporta energía...
El fotómetro presentado puede ser utilizado en el laboratorio de ciencias, en experimentos de...
La finalidad de este circuito es convertir la velocidad de apertura y cierre de un sensor on/off...