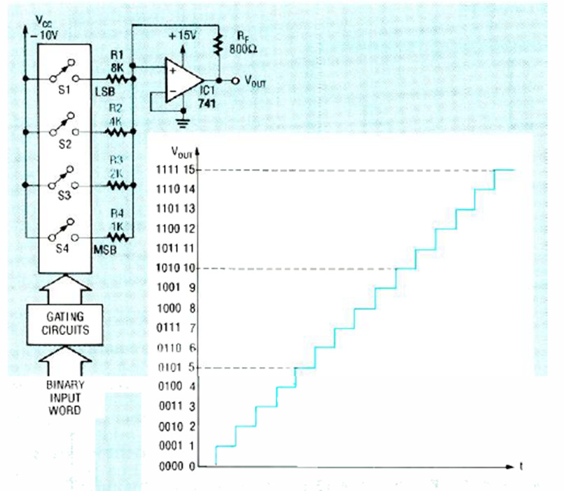
Este circuito convertidor de digital a analógico puede utilizar cualquier circuito integrado de conmutación digital. El circuito es de una revista Radio Electronics de julio de 1991.
La finalidad de esta experiencia muy simple es mostrar que una corriente eléctrica transporta energía...
El fotómetro presentado puede ser utilizado en el laboratorio de ciencias, en experimentos de...
La finalidad de este circuito es convertir la velocidad de apertura y cierre de un sensor on/off...