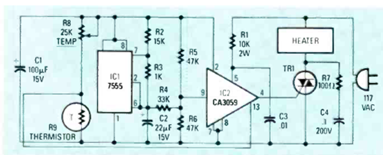
Este circuito fue encontrado en la revista Radio Electronics de octubre de 1987. El circuito es un control PWM con un 555. Parece que al 555 le falta una conexión que sería el pin 4.
La finalidad de esta experiencia muy simple es mostrar que una corriente eléctrica transporta energía...
El fotómetro presentado puede ser utilizado en el laboratorio de ciencias, en experimentos de...
La finalidad de este circuito es convertir la velocidad de apertura y cierre de un sensor on/off...