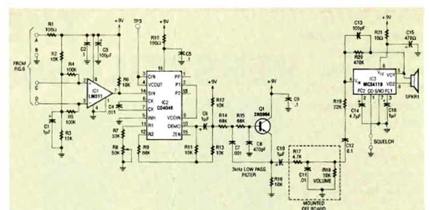
Este circuito funciona con los dos anteriores demodulando las señales moduladas FM capturadas. El circuito es de la revista Radio Electronics, diciembre de 1992.
La finalidad de esta experiencia muy simple es mostrar que una corriente eléctrica transporta energía...
El fotómetro presentado puede ser utilizado en el laboratorio de ciencias, en experimentos de...
La finalidad de este circuito es convertir la velocidad de apertura y cierre de un sensor on/off...