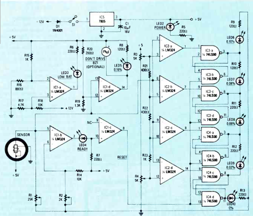
Este circuito fue publicado en un artículo de la revista Radio Electronics en octubre de 1988. Utiliza componentes que todavía son comunes hoy en día, a excepción del sensor, que es un tipo especial de esa época.
La finalidad de esta experiencia muy simple es mostrar que una corriente eléctrica transporta energía...
El fotómetro presentado puede ser utilizado en el laboratorio de ciencias, en experimentos de...
La finalidad de este circuito es convertir la velocidad de apertura y cierre de un sensor on/off...