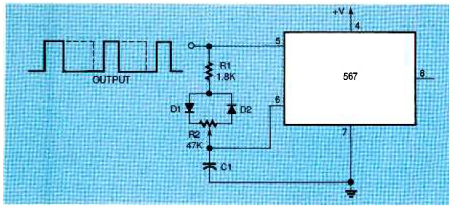
Este circuito generador de espaciador variable se encontró en la edición de diciembre de 1994 de la revista Electronics Now. La frecuencia depende de C1 y puede alcanzar un máximo de 200 kHz.
El control que describimos puede ser usado con motores de 3 a 12 V y corrientes máximas de 1 A. El...
El circuito mostrado en la figura 1 modula un haz de luz emitido por un LED (visible o infrarrojo) a...
El oscilador mostrado en la figura 1 utiliza un cristal para la banda de radioaficionados PX (11...