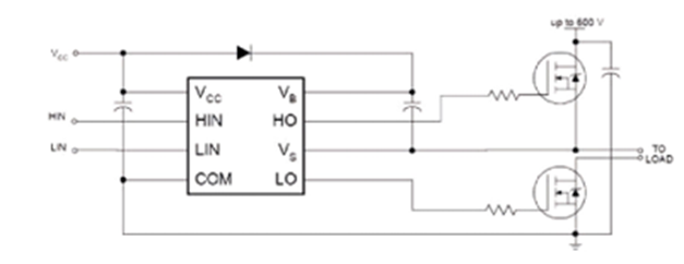
El circuito ilustrado utiliza el AUIRS2301 S, de International Recfifier (www.irf.com) y es adecuado para controlar servos en aplicaciones automotrices, así como inversores comunes e inversores trifásicos de propósito general. El circuito es operativo hasta 600 V y tiene un rango de tensiones de compuerta de 5 a 20 V. Además, su entrada es compatible con lógica de 3,3 V, 5 V y 15 V, siendo libre de plomo y compatible con RoHS.




