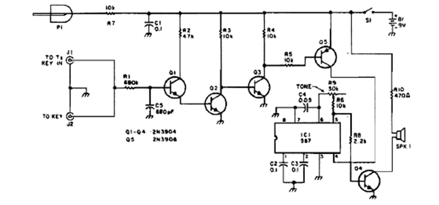
Este circuito de práctica de código se encontró en una edición de la década de 1990 de la revista Radio Amateur Today. Produce un tono de audio con el 555.
El control que describimos puede ser usado con motores de 3 a 12 V y corrientes máximas de 1 A. El...
El circuito mostrado en la figura 1 modula un haz de luz emitido por un LED (visible o infrarrojo) a...
El oscilador mostrado en la figura 1 utiliza un cristal para la banda de radioaficionados PX (11...