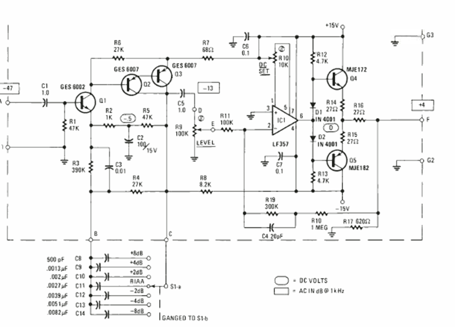
Este circuito fue encontrado en los Radio Electronics Special Projects de 1981. El circuito es estéreo y tiene una ganancia excelente utilizando componentes de la época que aceptan equivalentes modernos.
El control que describimos puede ser usado con motores de 3 a 12 V y corrientes máximas de 1 A. El...
El circuito mostrado en la figura 1 modula un haz de luz emitido por un LED (visible o infrarrojo) a...
El oscilador mostrado en la figura 1 utiliza un cristal para la banda de radioaficionados PX (11...