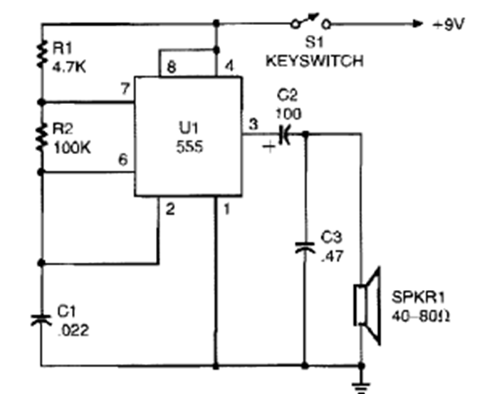
Encontrado en un Popular Electronics de la década de 1990, este circuito produce un tono en un pequeño altavoz. El manipulador controla directamente la fuente de alimentación.
El control que describimos puede ser usado con motores de 3 a 12 V y corrientes máximas de 1 A. El...
El circuito mostrado en la figura 1 modula un haz de luz emitido por un LED (visible o infrarrojo) a...
El oscilador mostrado en la figura 1 utiliza un cristal para la banda de radioaficionados PX (11...