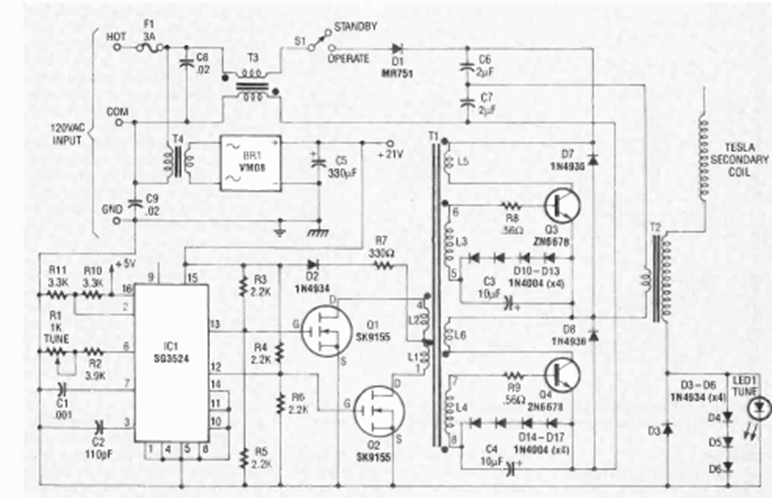
Este circuito es uno de los muchos que tenemos en nuestra sección. Fue tomado del libro Electronics Experimenter Jandbook de 1993. L1 tiene 10 vueltas y L2 tiene 1.000 vueltas en un tubo de PVC o cartón de 1 a 2 pulgadas.
El control que describimos puede ser usado con motores de 3 a 12 V y corrientes máximas de 1 A. El...
El circuito mostrado en la figura 1 modula un haz de luz emitido por un LED (visible o infrarrojo) a...
El oscilador mostrado en la figura 1 utiliza un cristal para la banda de radioaficionados PX (11...