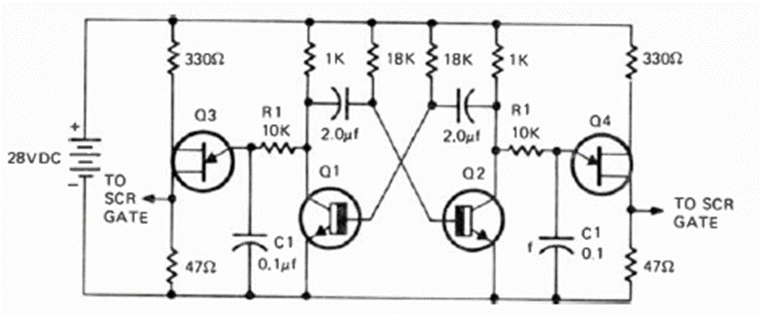
Este circuito que es un multivibrador astable fue encontrado en la revista Radio Electronics en marzo de 1973. Su propósito es disparar SCR, siendo alimentado por un voltaje de 28 V. Los transistores son de propósito general.
Este circuito puede ser utilizado por grupos scouts o campistas que necesitan un sistema de...
El mezclador de dos canales presentado en la figura 1 consiste en la solución ideal para los casos...
Este circuito utiliza como estándar de frecuencia un filtro cerámico del tipo encontrado en radios de FM,...