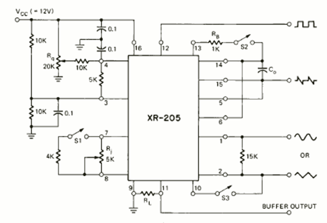
Este circuito se encontró en la edición de agosto de 1972 de la revista Radio Electronics. El circuito genera señales de 4 tipos como podemos ver en el diagrama. La frecuencia máxima es de alrededor de 20 kHz.
Este circuito puede ser utilizado por grupos scouts o campistas que necesitan un sistema de...
El mezclador de dos canales presentado en la figura 1 consiste en la solución ideal para los casos...
Este circuito utiliza como estándar de frecuencia un filtro cerámico del tipo encontrado en radios de FM,...