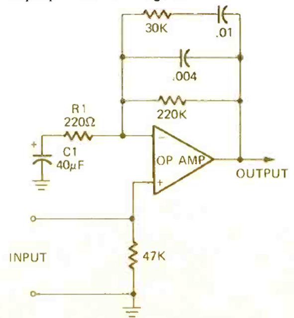
Este diagrama, que se encuentra en un artículo de la revista Radio Electronics de diciembre de 1972, muestra un amplificador operacional con ecualización RIAA para usar con cápsulas de captación de fono de cerámica.

Este diagrama, que se encuentra en un artículo de la revista Radio Electronics de diciembre de 1972, muestra un amplificador operacional con ecualización RIAA para usar con cápsulas de captación de fono de cerámica.
