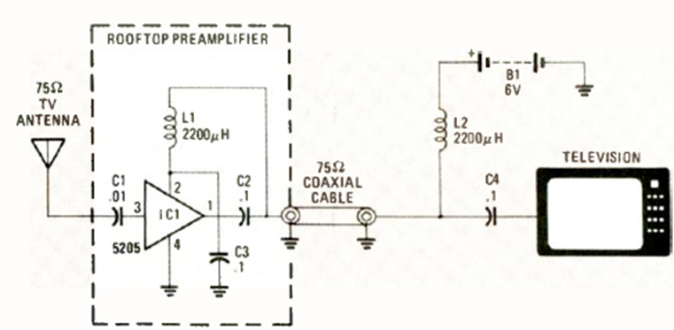
Este circuito que también sirve para amplificar señales de FM desde una antena externa fue encontrado en la revista Radio Electronics de mayo de 1987. Tenga en cuenta que el circuito se alimenta del propio cable de acometida.
Este circuito puede ser utilizado por grupos scouts o campistas que necesitan un sistema de...
El mezclador de dos canales presentado en la figura 1 consiste en la solución ideal para los casos...
Este circuito utiliza como estándar de frecuencia un filtro cerámico del tipo encontrado en radios de FM,...