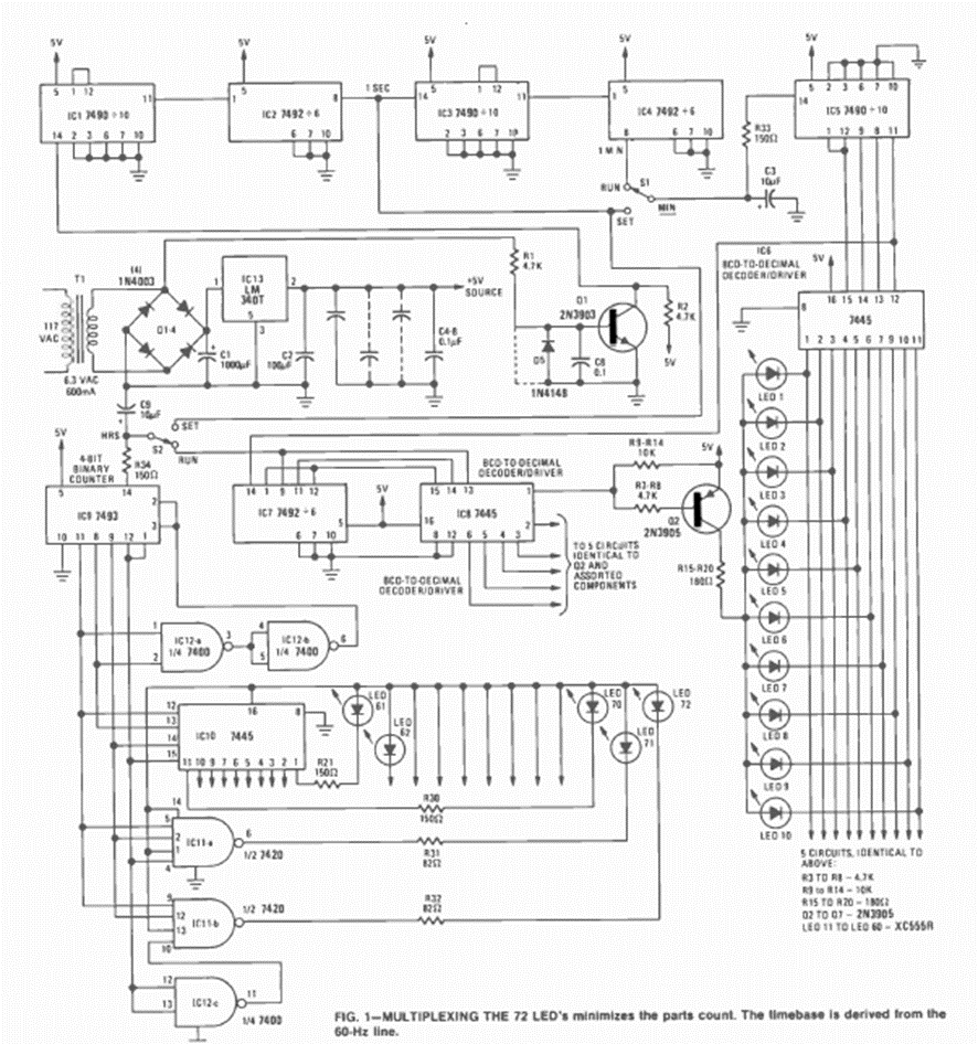
Este interesante circuito en el que la pantalla LED es circular imitando un reloj común apareció en la revista Radio Electronics en mayo de 1977. La fuente de alimentación está incluida.
Nuestro circuito, ilustrado en la figura 1, hace uso de un transistor de silicio (o diodo de...
Los sonidos y los ultrasonidos pueden ser generados con el circuito mostrado en la figura 1, que...
Para los adeptos del lanzamiento de pequeños cohetes la disponibilidad de un sistema electrónico con llave...