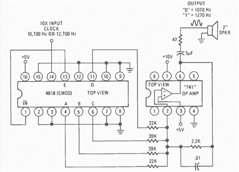
Este generador CMOS con el 4018 se encontró en la revista Radio Electronics de noviembre de 1976. Utiliza un 741 op como amplificador de audio.
Nuestro circuito, ilustrado en la figura 1, hace uso de un transistor de silicio (o diodo de...
Los sonidos y los ultrasonidos pueden ser generados con el circuito mostrado en la figura 1, que...
Para los adeptos del lanzamiento de pequeños cohetes la disponibilidad de un sistema electrónico con llave...