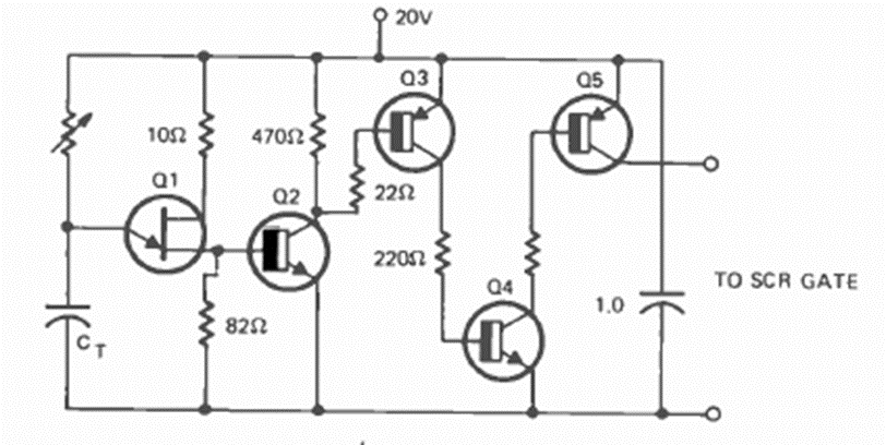
Este circuito generador de impulsos de disparo de transistor unijuntura se encontró en la revista Radio Electronics de marzo de 1973. Los valores típicos para Re CT son 100k y 220 nF.
Este circuito puede ser utilizado por grupos scouts o campistas que necesitan un sistema de...
El mezclador de dos canales presentado en la figura 1 consiste en la solución ideal para los casos...
Este circuito utiliza como estándar de frecuencia un filtro cerámico del tipo encontrado en radios de FM,...