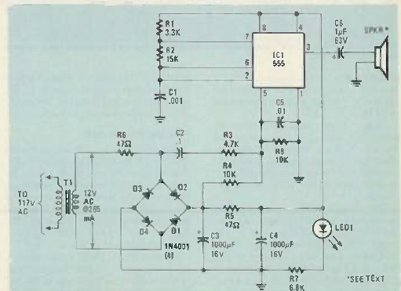
Este circuito incluye el suministro de energía desde la red eléctrica. Lo encontramos en Radio Electronics en julio de 1985. Todavía hoy se puede montar fácilmente.
Este circuito puede ser utilizado por grupos scouts o campistas que necesitan un sistema de...
El mezclador de dos canales presentado en la figura 1 consiste en la solución ideal para los casos...
Este circuito utiliza como estándar de frecuencia un filtro cerámico del tipo encontrado en radios de FM,...