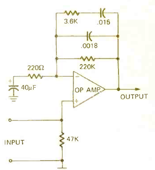
Recomendado para su uso con señales de captación de grabadoras, este circuito se encontró en la revista Radio Electronics de diciembre de 1972. Se puede utilizar cualquier amplificador operacional y la salida es de baja impedancia.

Recomendado para su uso con señales de captación de grabadoras, este circuito se encontró en la revista Radio Electronics de diciembre de 1972. Se puede utilizar cualquier amplificador operacional y la salida es de baja impedancia.
