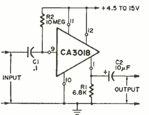
Utilizando el CA3018 lanzado en ese momento, este circuito se encontró en la revista Radio Electronics de agosto de 1970. El circuito tiene una resistencia de entrada de 5 megaohms.

Utilizando el CA3018 lanzado en ese momento, este circuito se encontró en la revista Radio Electronics de agosto de 1970. El circuito tiene una resistencia de entrada de 5 megaohms.
