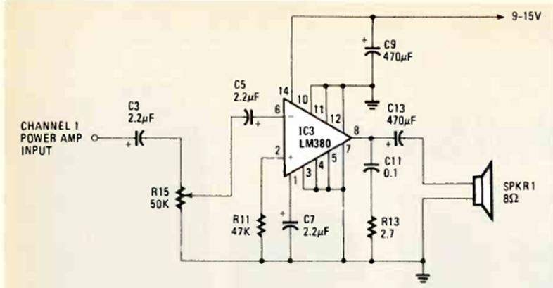
Este es otro de los circuitos con el LM380 que tenemos en esta sección. Lo encontramos en un artículo sobre amplificadores Walkman en la revista Radio Electronics de marzo de 1986.
Este circuito puede ser utilizado por grupos scouts o campistas que necesitan un sistema de...
El mezclador de dos canales presentado en la figura 1 consiste en la solución ideal para los casos...
Este circuito utiliza como estándar de frecuencia un filtro cerámico del tipo encontrado en radios de FM,...