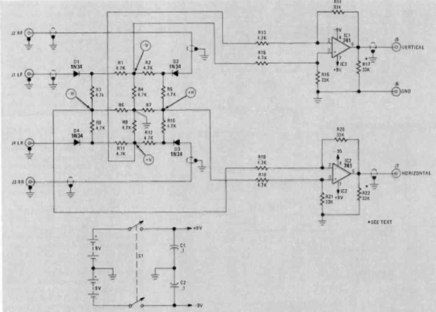
Este circuito multiplexor de señal para los primeros osciloscopios de baja frecuencia se encontró en la revista Radio Electronics de mayo de 1977. El circuito requiere una fuente simétrica.
Este circuito puede ser utilizado por grupos scouts o campistas que necesitan un sistema de...
El mezclador de dos canales presentado en la figura 1 consiste en la solución ideal para los casos...
Este circuito utiliza como estándar de frecuencia un filtro cerámico del tipo encontrado en radios de FM,...