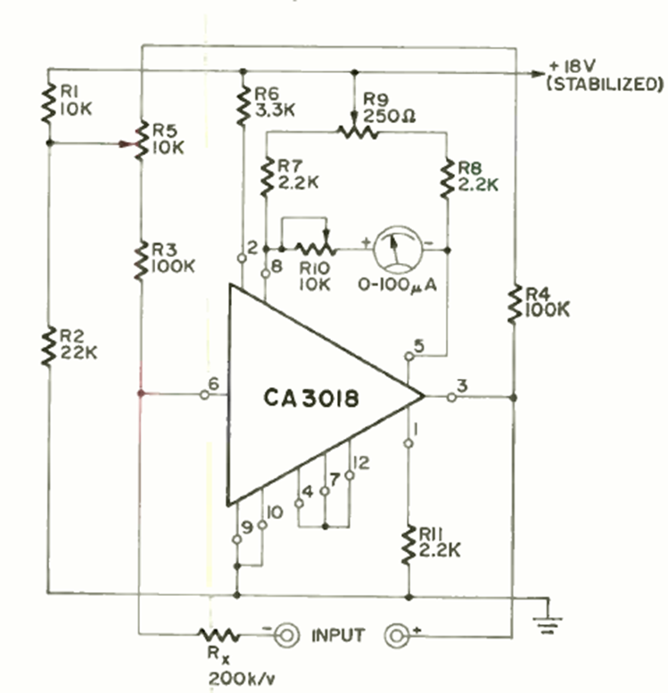
Encontramos este amplificador de tensión sensible de alta impedancia de entrada en la revista Radio Electronics de noviembre de 1970. El circuito se alimenta con una tensión de 18 V.
Nuestro circuito, ilustrado en la figura 1, hace uso de un transistor de silicio (o diodo de...
Los sonidos y los ultrasonidos pueden ser generados con el circuito mostrado en la figura 1, que...
Para los adeptos del lanzamiento de pequeños cohetes la disponibilidad de un sistema electrónico con llave...