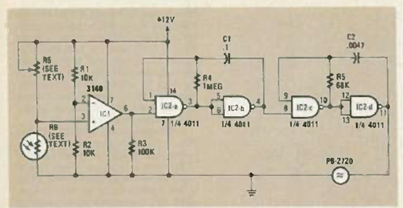
Utilizando el CA3140 como base, este circuito se encontró en Radio Electronics a partir de junio de 1986. El ajuste de sensibilidad se realiza en el trimpot en serie con el sensor.
Nuestro circuito, ilustrado en la figura 1, hace uso de un transistor de silicio (o diodo de...
Los sonidos y los ultrasonidos pueden ser generados con el circuito mostrado en la figura 1, que...
Para los adeptos del lanzamiento de pequeños cohetes la disponibilidad de un sistema electrónico con llave...