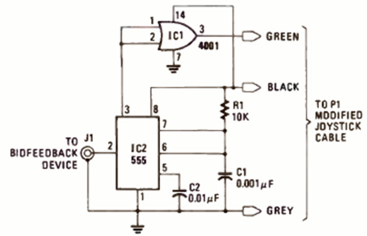
Tenemos muchas versiones de biofeedback con el 555 en este sitio. Este es otro de ellos. Lo encontramos en la revista Radio Radio Electronics de octubre de 1986. La fuente de alimentación debe estar aislada.
Nuestro circuito, ilustrado en la figura 1, hace uso de un transistor de silicio (o diodo de...
Los sonidos y los ultrasonidos pueden ser generados con el circuito mostrado en la figura 1, que...
Para los adeptos del lanzamiento de pequeños cohetes la disponibilidad de un sistema electrónico con llave...