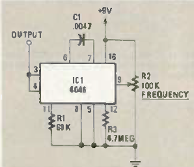
Este circuito fue encontrado en la revista Radio Electronics de noviembre de 1984. La frecuencia está dada por C1 que se puede cambiar a otras bandas.
Este circuito puede ser utilizado por grupos scouts o campistas que necesitan un sistema de...
El mezclador de dos canales presentado en la figura 1 consiste en la solución ideal para los casos...
Este circuito utiliza como estándar de frecuencia un filtro cerámico del tipo encontrado en radios de FM,...