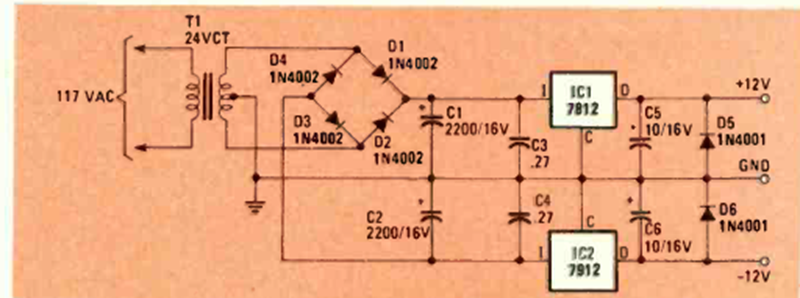
Esta fuente simétrica aparece en nuestra sección en muchas versiones. Esto es de la revista Radio Electronics de julio de 1984. Los circuitos integrados deben estar equipados con un disipador de calor. La tensión es 12 + 12 V y la corriente es 1 A.
Este circuito puede ser utilizado por grupos scouts o campistas que necesitan un sistema de...
El mezclador de dos canales presentado en la figura 1 consiste en la solución ideal para los casos...
Este circuito utiliza como estándar de frecuencia un filtro cerámico del tipo encontrado en radios de FM,...