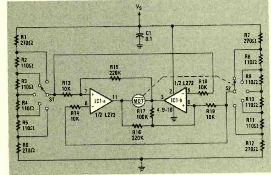
Este circuito fue encontrado en la revista Radio Electronics de diciembre de 1983. La corriente máxima de salida es 1 A y la tensión de alimentación oscila entre 4 y 28 V.
Nuestro circuito, ilustrado en la figura 1, hace uso de un transistor de silicio (o diodo de...
Los sonidos y los ultrasonidos pueden ser generados con el circuito mostrado en la figura 1, que...
Para los adeptos del lanzamiento de pequeños cohetes la disponibilidad de un sistema electrónico con llave...