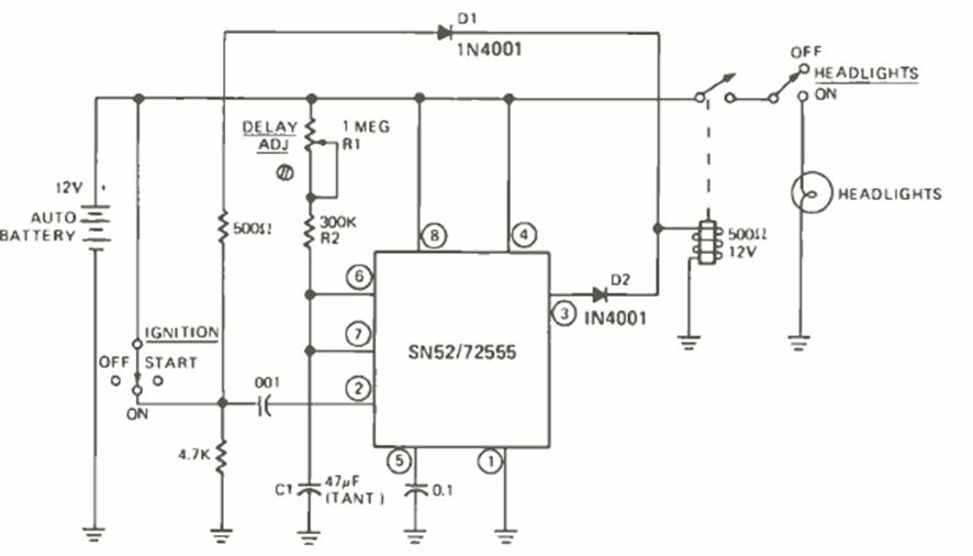
Este circuito fue encontrado en la revista Radio Electronics de febrero de 1976. El circuito está alimentado por 12 V y consta de un temporizador que se activa de forma intermitente.
Nuestro circuito, ilustrado en la figura 1, hace uso de un transistor de silicio (o diodo de...
Los sonidos y los ultrasonidos pueden ser generados con el circuito mostrado en la figura 1, que...
Para los adeptos del lanzamiento de pequeños cohetes la disponibilidad de un sistema electrónico con llave...