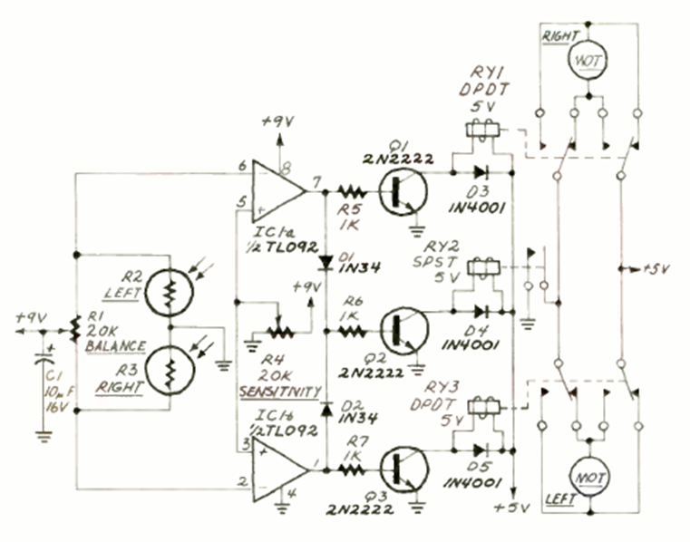
Este interesante circuito sirve para controlar un pequeño robot que busca una fuente de luz. Los sensores son LDR y el circuito tiene un ajuste de equilibrio de sensibilidad. El robot utiliza dos motores y tres relés.
Nuestro circuito, ilustrado en la figura 1, hace uso de un transistor de silicio (o diodo de...
Los sonidos y los ultrasonidos pueden ser generados con el circuito mostrado en la figura 1, que...
Para los adeptos del lanzamiento de pequeños cohetes la disponibilidad de un sistema electrónico con llave...