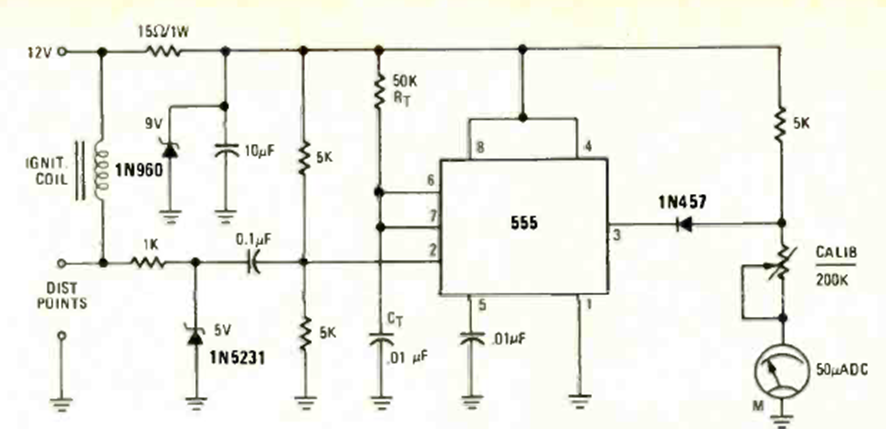
Otro de los muchos circuitos de tacómetro que tenemos en nuestra web. Esto es de la revista Radio Elecronics de septiembre de 1976. El circuito está conectado a los contactos de la placa de platino de un automóvil o a un sensor.
Nuestro circuito, ilustrado en la figura 1, hace uso de un transistor de silicio (o diodo de...
Los sonidos y los ultrasonidos pueden ser generados con el circuito mostrado en la figura 1, que...
Para los adeptos del lanzamiento de pequeños cohetes la disponibilidad de un sistema electrónico con llave...