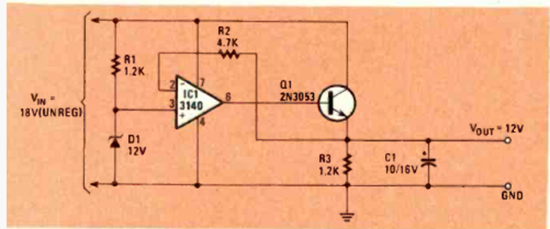
Este circuito es de una revista de Radio Electronics de julio de 1984. El transistor determina la corriente máxima y el diodo zener la tensión de salida. El transistor debe estar equipado con un disipador de calor.
Este circuito puede ser utilizado por grupos scouts o campistas que necesitan un sistema de...
El mezclador de dos canales presentado en la figura 1 consiste en la solución ideal para los casos...
Este circuito utiliza como estándar de frecuencia un filtro cerámico del tipo encontrado en radios de FM,...