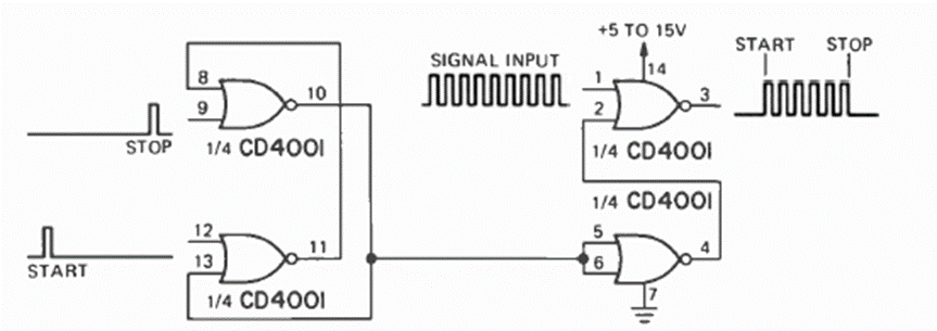
Encontramos este circuito en la revista Radio Electronics de octubre de 1974. Tenga en cuenta las formas de onda obtenidas para las señales de control y la señal controlada.
Nuestro circuito, ilustrado en la figura 1, hace uso de un transistor de silicio (o diodo de...
Los sonidos y los ultrasonidos pueden ser generados con el circuito mostrado en la figura 1, que...
Para los adeptos del lanzamiento de pequeños cohetes la disponibilidad de un sistema electrónico con llave...